Register now to get rid of these ads!

The elusive 224/3.7 MerCruiser banger

Discussion in 'The Hokey Ass Message Board' started by tjm73, Apr 9, 2008.

  1. BHT8BALL
    Joined: Aug 22, 2010
    Posts: 262

    BHT8BALL
    Member

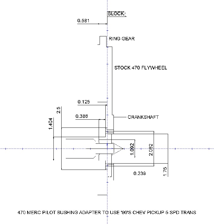
    Hope this readable and helpful both, you can see that the crankshaft doesn't need to be bored to clear the trans input shaft altho it's close, the adapter was bored to press in a stock Chev pilot bushing. Pat
     

    Attached Files:

  2. BHT8BALL
    Joined: Aug 22, 2010
    Posts: 262

    BHT8BALL
    Member

    I redid the pic with some help, yes a bottle of German beer was involved!. Dawford, I've had people in the past contact me about a cam for the 470 to run in a "A" streetrod, in spite of my suggestion they had 2 reground, the 1st. was ruined and the 2nd was too radical. The engine originally had 150 lbs. cranking pressure and will run on 87 octane on the street. For a simple hop-up advance the cam 2 degs. An all aluminum engine can tolerate 185 lbs. with normal street operation and still run on pump gas. The cam specs I got from Mercury Marine indicate that the 485 cam would be the best for mild street performance. The stock 485-490 was designed to run continuously at 4,800 so they were not interested in performance off idle-3,000. If you were to purchase a new aftermarket head I would suggest getting the smallest chamber volume available. I'm going to include a video of a project that I built the engine for that runs 11:1 comp with pump gas on the street, this engine has 190 lbs cranking compression and is fully streetable. Also I'm resubmitting the improved pic of the pilot bearing adapter. Pat
     

    Attached Files:

  3. BHT8BALL
    Joined: Aug 22, 2010
    Posts: 262

    BHT8BALL
    Member

  4. satan'schariot
    Joined: Aug 27, 2009
    Posts: 103

    satan'schariot
    Member

    yeah that is a pretty far out idea:D
    I'm going to build the hull 18 foot 72" bottom.the whole reason for the jet drive is to run shallow and not worry about hitting stumps.I had one that I built a couple of years ago that was 16 foot long with a small block chevy and a bearkley pump,it was wayyyy to fast for that kind of boat I got it up to about 55 mph and still had a bunch left but sliding side ways going that fast was not fun.
    the pump is set up for a small block chevy and I also have the ford 460 water cooled aluminum header off another jet boat to use.
    the main thing about the other boat was it just weighed to much with the chevy ,I think if I could get the weight down and still have enough power to run 40-45 mph it would be prefect.
     
  5. iadr
    Joined: Apr 14, 2007
    Posts: 147

    iadr
    Member

    Ruined in the attempt of regrinding in what sense?
    I'm doing a very very fat lobe 265/275 - 220/226 - it has more duration at .200 than most all street rollers. I'll use a set of tool steel or Schubeck type hydraulic flat tappets in .875. The lobe is meant for .904.
    Anyway it's packaged and ready to ship, so just curious if there's anything I should add to my enclosed "letter" to the regrinders? I usually mark onto the cam itself in heavy duty felt tip marker the exh and intake lobes and take a picture and mark them on the photo of the cam which I enclose a copy or two of. If it's gear drive like the other engine family I work with I mark with an arrow on every journal, arrows which remind the grinder to get the closing ramps of the lobe on the closing side. lol. Since this is conventional cam rotation, I didn't make a big deal of it

    You know of what you speak as far as cranking PSI.
    As an aside or a reference point, when I was growing up (mid 80's so it wan't a new car by any means at the time) we had a supposedly stock 1967 Volvo 144 (B18B engine which was rated at 10:1 nominal- this was the small displacement engine in the highest state of tune- they replaced it after 2 years production with a bigger bore and the same cam, with less compression. Personally I think less cam, even on the bigger bore, would have been good, too) It pumped 200/205/181/202 or thereabouts. 92pump premium and it was still very borderline @ 2500ft altitude and no vacuum advance, but with a cam factory rated to peak hp @ 6K & torque @ 4K. Small 3.5" bore and an iron head with good cooling and a decent quench chamber. With aluminum, and 93 & occasionally 94 octane and the same 2500 ft, I think I'm aiming for 180-185...I won't wince if it's 190psi
     
    Last edited: Oct 10, 2010
  6. BHT8BALL
    Joined: Aug 22, 2010
    Posts: 262

    BHT8BALL
    Member

    iadr, I can't remember what ruined the 1st cam, but the last time I checked there were no cam cores available so caution would be of prime importance. The factory specs for the 485 cam are: 284/300 214/230 @ 113.5, lobe lift .286/.310 can you divulge the lobe separation angle you had your cam ground too? The cam I was planning on using in my performance version was from a successful 460 hot street hyd. 234/244 112, lobe lift .328/.343,. I even considered making a steel cam for a roller hyd. and moving the dist. & oil pump drive to the front cover like my Model "A" conversion. I guess I'll have to live a long time to get everything done I want. Have you decided on an intake & exhaust system yet? Sounds like you have an interesting project, what are you going to put the engine in?
     

    Attached Files:

  7. iadr
    Joined: Apr 14, 2007
    Posts: 147

    iadr
    Member

    Earlier in the thread I posted specs listed by one of the big jobber firms- Eldin, I think, who do list a cam.

    Mine has not been done- it's wrapped and boxed to go out to Lunati. For LSA, I've asked them to use their judgement, saying that I want to reduce the LSA to as close to 109 as posssible without creating issues- ie grinding through the surface hardening. I guess I'm also going to bite the $ bullet and get it nitrided.
    Those 485 specs would be decent for a wedge heads which are all weak on the exhaust. Maybe a bit more intake lift is required, though. Mine is to be .317/.329

    Sounds big. I posted here about the curve you can get with lots of head flow, big-ish header tubes etc, but a small cam (and 9.1CR!):
    http://speedtalk.com/forum/viewtopic.php?f=1&t=22472

    Eventually want to do a tube frame short WB fun car, with some of the better OE suspension components grafted on, and retro styling.
    Being that is so ambitious, I am thinking of first putting it in my Suzuki Sidekick, with street oriented tires, a slightly low right height, and a viscous transfer case so it can be used in "AWD" mode.
    As for induction:
    take a tall single plane and turn it at an angle

    [​IMG]

    then you cut away what you don't need (wincing at the price you paid for it)
    Add a SBC TPI medium size dual*****erfly with TPS to what's left:
    [​IMG]

    If I want to get fancy I can do the top injectors and also some inline ones aimed from the "back" of the runners, as all 4 runners are exposed for an injector to join the airflow a bit earlier. If I find the throttle body is a little big, that can be dealt with in the opening rate. I wouldn't mind the runners being a couple or three inches longer, but I'll take what I can get. It looks natural for the job, & I have no reason to think it will leak, crack or anything of that kind...which a fabricated one might, besides being ugly.
    I guess I'd need a TPI oval ended 90* elbow for an aircleaner, nothing spring to mind for that, but I haven't looked yet

     
  8. iadr
    Joined: Apr 14, 2007
    Posts: 147

    iadr
    Member

    My remark about fabbed intakes being ugly applies to many, but most****uredly not yours on the last post's attachment... simply...beautiful- and I imagine very functional.
    Is the carb old to meet the spirit of the build? or a rule?
    That's what? a Carter...WC something or'ruther. I remember seeing somethign like that on a 1954 Packard 359 inline 8 (in photos)
     
    Last edited: Oct 10, 2010
  9. BHT8BALL
    Joined: Aug 22, 2010
    Posts: 262

    BHT8BALL
    Member

    The carb in the picture is a Carter AFB from a DeSoto hemi. After many take aparts and not getting it to work above 3800 we replaced it with a look alike Edelbrock and no longer had any problems. I designed the manifold, headers and 4 BBL to get back at people who are convinced it won't work. Everything is wrong! Quote! This engine has successfully run in a real track "T" roadster and has been able to hold it's own against V8 flatheads in a similar car. Back to your cam, since you are not going to be grinding alot off the nose rehardening may not be needed, that is where the highest contact pressure is. your Suzuki idea is great, I'm jealous! Pat
     
  10. As the merc block is aluminum the nature of metal contacting it does matter, at least if water is also present.

    galvanic potential:

    aluminum .95
    cadmium [ I don't have figure but it is here]
    steel .85
    stainless .50
    brass .45
    copper .35
    monel .30

    the further from the value of aluminum, the greater problem galvanic corrosion is.
     
  11. now a question:
    does anyone have a technique for wet setting the float level on a rochester carb?
     
  12. Guys I've a new take on the camshaft/waterpump problem. I fired my engine up last week and blew out the first waterpump seal as the engine warmed up.

    The problem was that I used a 38mm seal in a 1.5" bore. The diffeence [ .004" ] does not sound like much, it was enough for the seal to come adrift under pressure. So if one is to turn the camshaft down, 20mm is an option if the housing is partially bored to 40mm leaving a step to support the seal.

    A better solution would have been to use a "speedy sleeve" [ ok actually two of them] but I objected to their overly high price $38 each which seemed unfair. Using that method one should have a better wearing surface than the camshaft under the seals. The shaft problem has been identified as corrosion but I wonder if instead it is actually wear.
    The stainless sleeve would take care of that.

    So I'm experimenting and must decide on the best options remaining:
    The camshaft drive seems very clever but antifreeze in the oil is so serious as to take some of the glow out of a beltless pump.

    I have found another commonly available waterpump which should work. That from a 1987 to 1989 Crysler Conquer [ 2.5 Liter engine] the same pump was also used by Hyundai and Mitsibushi. As the pump has two outlets, one must be plugged. As the smaller outlet is an odd size [0.854 ], Dorman does not offer a welch plug to fit. The closest easy to find plug is NAPA # 381-1006 a 7/8" domed plug which must be ground or sanded down slightly in a lathe.
    Hubbard has an expanding one which is 0.002 smaller than the hole, it is the closest one and probably the best [#HP852]. Check Hubbard welch plugs on the internet for detailed instructions.


    Dorman's cup style plug # 565-028 should fill the camshaft hole. Its taper is from 1.502" to 1.510" [cost $1.29] as it is about 10 mm deep the end of the camshaft must be cut back for clearance. Try pressing the plug into the housing before cutting the cam. Although epoxy will fit perfectly, I do not trust it as it softens with heat. [ I will append coefficients of expansion for aluminum, brass, steel and epoxy so we can see which will loosen with heating. ]

    steel ....................... 7.3
    stainless steel.... 8 to 10
    brass......................10.4
    aluminum..............12.3
    lead.........................15.1
    epoxy..................... 31
    [coefficients of linear expansion 10^-6 inch per degree F.]

    An epoxy plug would get tighter in heated aluminum.
    A brass plug would loosen slightly but stay tighter than a steel one as they heated up.

    Cast epoxy softening is hard to pin down as it gains temperature resistance curing at high temperatures and the nature of different epoxies vary. I checked my locktite sourcebook and found that epoxy glues can be expected to resist 180 degrees F. but that some epoxies are good to 350 degrees F.
     
    Last edited: Nov 2, 2010
  13. dawford
    Joined: Apr 25, 2010
    Posts: 498

    dawford
    Member

    Dennis,

    I cut off the water pump cam extension and plugged the hole with JB Weld.

    After knocking out the seals I pushed a plastic Great Value Drink Mix container from Walmart into the opening from the front side of the engine cover.

    It is a friction fit. The plastic will not bond to the JB Weld and it will leave a nice smooth finish with an imprint of the Drink Mix Logo.

    I then poured in the JB weld from the camshaft side. I used regular but you could use the aluminum JB if you wanted. Follow the directions on the JB Weld package.

    There is a water warning drain hole and a flange that will garuntee a good mechanicle lock as well as the JB Weld bond. Ruff up the inside of the hole with something.

    I then cut off a piece of the water pump cover and JB Weld it to the front of the camshaft cover over the water inlet to the engine block.

    I make sure that the JB makes a good seal around the edge and I run temporary bolts and nuts thru the 2 holes that secure the piece into its original position.

    I make sure that the temporary bolts are a somewhat tight fit so that they allign the holes that will be used to secure the cover onto the engine.

    I JB weld a Plug into the opening created by the cut leaving the inside of the piece open to allow water to flow thru the front engine cover and into the block.

    I then drill a 3/4" hole thru the side of the cover and tap the hole with a 1/2" pipe tap which uses a 3/4" hole.

    I use a 1/2" NPT to 3/4" hose******* for the water to enter the block.

    Someone will always wonder if that will allow a sufficient amount of water to properly cool the block.

    The thermostat is very restrictive and will be the limiting factor in water flow not the 3/4" hose. And remember we are only cooling the equivalent half of a 460 ford V8.

    The aluminum block is also a better conductor of heat and if you are using an aluminum head so much the better.

    If the hose has to be very long from the water pump to the engine it might be a good idea to run a larger hose to the engine then reduce it at the*******.

    I have decided to run water returns from both ends of the head with a thermostat at each end of the head. A 185 degree at the front and a 175 degree at the rear.

    This way if one thermostat is sufficient the water will flow the whole length of the engine. If not the other will open slightly allowing more flow into the engine.

    The open water jacket around the cylinders will allow for very good cooling flow.

    The external Toyota water pump will provide plenty of pressure to cool this engine and it won't eat up much hp.

    I have taken some pictures to illistrate the procedure.

    Notice in the 4 picture that I machined off the Stator Coil mounting lugs to allow the new Harmonic balancer to fit. I will use an external alternator.

    The zero balance hermonic and the front cover modifications shorten the overall length of the engine about 2 " and allow the electric radiator fan to better fit between the radiator and the front of the engine.


    Also 4 of the holes that were used to fasten the water pump cover to the front engine cover need to be plugged so that engine oil dosn't leak out.

    Again I used JB Weld to fill the holes. Just put ductape over the inside of the holes and pour JB into the holes. Use a tooth pick to allow air to escape and to pump the weld deep into the holes. Clean the holes before filling to insure a good bond. I doubt that it is necessary but it is good insurance.

    Again always follow the JB instructions. I should get some free JB Weld some day for my recommendations..

    But when used properly it has not failed me yet.


    Dick :)
    .
     

    Attached Files:

    Last edited: Oct 28, 2010
  14. Great*****, now I see what you are doing.
    Water does not even get close to the former shaft position. I like that.
    In that situation, heated plug strength would not be an issue.
    Yes, the former drain hole should lock the epoxy in.
    The logo cast in is a nice touch too.


    I found no old Corolla waterpumps to measure for comparison what is the diameter and width of their impeller?
    dennis
     
    Last edited: Oct 28, 2010
  15. I milled off the stator mounts also. It left lots of room for the balancer.
     
  16. dawford
    Joined: Apr 25, 2010
    Posts: 498

    dawford
    Member

    Dennis,

    JB Industro-Weld is not recommended for tempretures in excess or 600 degrees F.

    The little Toyota water pump is 2 3/8" and the slightly larger one is 2 3/4".

    The impeller tooth depth is about 1/2" on each pump.

    The original Mercruiser pump had to circulate the water thru many areas of the total package. Both the manifolds the heat exchanger and the spider web of hoses.

    Both pumps were chosen because they have a flat cover on the back allowing a 1/4" aluminum plate to replace the original steel covers.

    I will drill and tap a 3/4 or 1" pipe******* outlet thru the back cover in the appropriate position.

    I will also make the cover oversize to allow easy mounting of the pump with provision for belt adjustment.

    Both pumps also have provision for heater hose returns. The heater fan will also provide for additional emergency cooling.

    I'm glad that I am only an amateur engineer and not a professional engineer like you because I don't have to calculate everything I do. :)

    I will start with the small one and move to a bigger one if necessary.

    I think that the smaller one will do fine anyway.

    If you have ever noticed water pumps have a loose fit between the impeller and the housing to allow water to escape around the impeller when the thermostat is closed.

    They are really water impellers not pumps.

    Early Ford V8 needed 2 impellers not because of volume but because the water ran around the exhaust ports in the block. Poor engineering?

    Maybe but it is hard to avoid when the valves are in the block.

    Trial and error was the way of the day.

    I have a lot of observational experience to base my amateur engineering on and when I make a mistake I just adjust the parts to work.

    Don't get me wrong I wish I had taken up mechanical engineering instead of electronics.

    Anyway how much did you machine off of the front cover and how much clearance do you have from the flat portion of the cover to the harmonic balancer?

    I am using an end mill and a drill press to remove the material and it is not easy to control the process.

    Dick:)
    .
     

    Attached Files:

    Last edited: Oct 28, 2010
  17. I left a remnant of them standing up about a quarter inch. You can cut them down that far with a hacksaw and finish it off with a body file or a belt sander. There was ample clearance behind the balancer [ in the neighborhood of 1/4" to 1/2"]. Its spacing was enough to clear the bottom end of the warterpump and a mounting bolt for that nicely.

    I bought a "mill/drill machine from Harbor freight and have used it a lot. All you do is clamp the work down on the table, turn it on and crank the table around. It was $900 well spent. I had a drill press with a "milling attachment" but it was not capable of what I needed.

    Thanks for the pump info. Mine was 2 7/8" across the impeller. It works like yours but has a stamped impeller. Any of those three pumps would work bolted onto the front of the merc waterpump. [adapter plate****umed] Water flow would even be in the same direction as the merc..
    ps. this last photo of yours really shows the difference. thanks
    I'd not worry about having a larger pump as pulley size changes would change the output.

    At low rpm using, a glasspack, mine sounds disgustingly like a model A, probably as good a disguise as can be had.
     
    Last edited: Oct 28, 2010
  18. Dick I've used a carquest idler pulley that just bolts on. They are nicer to adjust than moving a whole waterpump. Or the alternator could be used like an idler pulley.
     
  19. dawford
    Joined: Apr 25, 2010
    Posts: 498

    dawford
    Member

    dennis,

    Thanks for the measurements on the balancer clearance.

    I have a Chinese lathe with a mill head that I have had for 20 years but it and my lathes are barried in the barn.

    I may try to use the mill head tomarrow as it is the easiest to get to.

    It is on the floor and in between a lot of other things.

    My intention is to run the most compact single groove pulley I can find on the harmonic and power the pump and alternator off of a single belt using which ever one is the easiest to make adjustable.

    I will probably run one on each side in a kind of equal lateral triangle arrangement.

    That way the belt gets a good bite on each pulley and I won't need an idler pulley.

    The closed cab 30 Ford Pickup has air so I will have to run a double or tripple pulley on it.

    I want to use one of the early Ford type Powergen alternator that looks like a generator but is a 75 amp alternator.

    I am glad to hear that they sound a lot like a Model A because that is what I want to create.

    A Model A Sleeper. Looks like a Model A, Goes like a Corvette.

    Dick :)
    .
     
  20. I just sawed off most of the extra material, that seemed the easiest way.
    For the balancer pulley, I bored a $2 swapmeet crank end pulley so that the plastic insert at the end of the balancer fits it.
    To mark the pulley for 3 holes, chuck it up in the lathe's 3 jaw chuck. Rotate the chuck until it interferes with a stop[ of your choosing] drag the cutter across one side of the pulley scribing a line. Rotate by hand till the next jaw hits the stop and scribe the next line. Repeat for the 3rd line.
    At the time I was running only the alternator from it so I chose one only a bit smaller than the balancer. I think I'd run a smaller pulley instead on the balancer for the waterpump as I don't want it to turn very fast.
    I'm paying a lot of attention to water flow as my radiator is small [18" x 20"] and I am giving it all the help I can. The merc cooling system is a confusing mess of hoses. Mine is simpler, two hoses from the manifold joining to a larger one running to the top radiator tank.

    The return is a hose from the radiator bottom tank to the waterpump.
     
  21. I've a Ford tractor "generator", it is smaller than an ordinary generator, maby it is one of those you mention. It looks like them.
     
  22. dawford
    Joined: Apr 25, 2010
    Posts: 498

    dawford
    Member

    dennis,

    The Powergen that I mentioned is sold by Speedway and others and is an alternator especially designed to look like a generator.

    They make them in 3 configurations and plain or chrome finish.

    One is in the Ford Flathead style with the built in bracket. One is in the GM style up to 64. The one that I will use is in the Ford 51 to 59 style that looks much like most older generators.

    It is the least expensive of the three but is still very pricy at $369.99.

    I might only use one of them on any of my projects that have an open engine compartment because of the price.

    The only reason for using one is to follow thru with the tractor engine look of the engine when it is stripped down to only the necessities.

    Dick :)
     
  23. I took one of of one of my tractors, a ford 3 cylinder diesel made in the early 70's. It may be one of the stealth alternators you mentioned and is much cheaper as used tractor parts places have them.

    I've a generator from my old allis chalmers engine and it is big and "clunky" you could fit something like a tin can over a small alternator add dummy leads and have the "generator look".
     
  24. Warpspeed
    Joined: Nov 4, 2008
    Posts: 532

    Warpspeed
    Member

    Nothing really wrong with running a genuine original generator on a simple street rod.

    Unless you run a dozen huge 4WD style driving lights, air conditioning, a massive high power sound system, and have a lot of electrical load, a small battery and a generator will work fine.
     
  25. The alternator I have on it drains the battery when it is sitting, I'd be ahead with a dummy generator. They easily run several daytime hours just on the battery.
    I've a big old 6 volt generator that I left out in the rain 5 years. Needless to say, its condition did not improve and it is now rusted solid. but something like that could be gutted and run with an idler pulley as a belt tightener. The nice way seems to be to run the alternator off the driveshaft.
    As I understand it, a generators communtator comes apart at high rpm but alternators stay together.
    .
     
  26. dawford
    Joined: Apr 25, 2010
    Posts: 498

    dawford
    Member

    Warpspeed,

    I'm glad someone besides dennis and me are following this thread.

    You are right I guess I have just become used to alternators.

    I went down into the meadow to check out the generator on an old 3 cylinder Ford gas tractor I have only to find that it has a Lucus generator made in England.

    I have nothing against the english but I have not had good luck with Lucus products.

    The Lucus had a gear takoff for the Tach.

    That got me thinking about the speed that the generator would be turning with this engine at high RPM.

    I know that they werent engineered for high speed.

    An early Ford or GM 12 volt car generator would probably be a better choice.

    Dick :)
     
  27. Warpspeed
    Joined: Nov 4, 2008
    Posts: 532

    Warpspeed
    Member

    I think we have all become used to alternators, they are far better technology.

    But generators worked fine on the original cars, and still should.

    Sure, if you put a generator on a high revving drag race small block, it probably will fly apart, but why would you want to do that? On a period engine, even a seriously souped up flat head, the rpm to burst the generator is simply not going to be there.

    Most of the reliability problems with generators came from the horrible vibrating sparking electromechanical voltage regulator that went with it. Fit an electronic voltage regulator (out of an alternator) and it will be just as reliable as an alternator. It won't have the huge ampere charging capacity, but it will work fine.

    Lucas electrical equipment has always been notoriously unreliable, Bosch or Delco would be a far better bet.
     
  28. The newer tractor generator I have is just like yours*****. Lucas and with a tach output.
    With the pulleys on it and my balancer, it would run double the engine speed.
     
  29. I am trying to choose the best way:
    My waterpump seal bore is 1.498" [measured 3 agreeing ways:

    a one degree precision tapered plug and micrometer
    snap gauge and micrometer
    electronic caliper [least reliable]

    I made a 1.5025" diameter aluminum plug and also sawed a 1.25" hole in it making a press fit collar to support my 38mmX 20mm seal that popped out.

    I also polished down a brass cup plug which now tapers from 1.498" to 1.510"

    I polished each to their final diameter.

    Now remains the choice of using the collar, the seal and the mercury pump or plugging the hole with the cup plug and using my new pump.
     
    Last edited: Nov 1, 2010
  30. iadr
    Joined: Apr 14, 2007
    Posts: 147

    iadr
    Member

    Not to distract (minding that you said you didn't want it to be a two way conversation), but...

    I have my 4.39" block with worn & scratched bores at the machine shop right now. Looking at the thickness of steel (from the bottom, where it's cleaner and clearer), I "should" be able to go bigger. A couple people say no...? I can find 4.40 4.41, 4.42, 4.43, 4.44 rings...
    And the pistons are going to be custom anyway...
     

Share This Page

Register now to get rid of these ads!

Archive

Copyright © 1995-2021 The Jalopy Journal: Steal our stuff, we'll kick your teeth in. Terms of Service. Privacy Policy.

Atomic Industry
Forum software by XenForo™ ©2010-2014 XenForo Ltd.